交叉滚子转盘轴承(回转支持)
类别:交叉滚子转盘轴承
| 参数名称 | 参数值 |
|---|---|
| 材料 | 42CrMo,50Mn |
| 调质硬度 | 229~269HB |
| 滚道淬火硬度 | 58~64HRC |
| 齿淬火硬度 | 50±5HRC |
| 游隙 | 标注,可定制 |
| 尺寸 | ≤8000mm |
| 产地 | 洛阳 |
| 认证 | ABS、CCS、BV、DNV船级社认证 |
| 品牌I | LYAB |
咨询热线:185-3836-8720
交叉滚子转盘轴承(回转支持)
类别:交叉滚子转盘轴承
| 参数名称 | 参数值 |
|---|---|
| 材料 | 42CrMo,50Mn |
| 调质硬度 | 229~269HB |
| 滚道淬火硬度 | 58~64HRC |
| 齿淬火硬度 | 50±5HRC |
| 游隙 | 标注,可定制 |
| 尺寸 | ≤8000mm |
| 产地 | 洛阳 |
| 认证 | ABS、CCS、BV、DNV船级社认证 |
| 品牌I | LYAB |
咨询热线:185-3836-8720
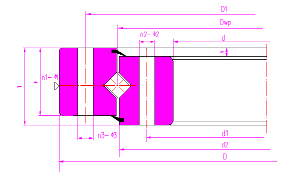
交叉圆柱滚子转盘轴承(回转支承)可以同时承受轴向载荷、倾覆力矩和径向载荷。交叉圆柱滚子转盘轴承(回转支承)的结构和应用与四点接触球转盘轴承基本相同,只是滚动体由钢球变为滚子,滚动体与内外圈的接触由点接触变为线接触。故承载能力增加,但磨损和摩擦力矩将增大。
交叉圆柱滚子转盘轴承(回转支承)主要由内圈、外圈、单排钢球、保持架(隔离块)、密封装置等零件组成。
交叉圆柱滚子转盘轴承(回转支承)的圆柱滚子(轴线)在滚道上呈交叉分布,圆柱滚子的长径比小于1,滚子在运动时存在轻微的滑动。
通过调整滚子交叉数量和接触角,可以应对各种工况条件下产生的不同轴向力、倾覆力矩和径向力组合。
交叉圆柱滚子转盘轴承(回转支承)的内圈或外圈有整体式和分体式结构之分,为减少滚子间的摩擦,通常设计有保持架或隔离块。
当载荷较大时采用满装滚子结构,但摩擦阻力大,摩擦还容易造成滚子间接触部位产生沿圆周方向的沟痕。
该结构轴承适用于以轴向载荷为主且载荷较大,有倾覆力矩、摩擦力矩要求不高的场合。
一般交叉圆柱滚子转盘轴承的基本结构按照以下三种结构:
无齿式(110型)
外齿式(111型/112型)
内齿式(113型/114型)



| 轴承型号 | 外形尺寸 | 齿轮参数 | 轴承型号 | ||||||
| d | D | T | da | b | m | Z | x | ||
| 110.25.710.** | 608 | 812 | 75 | — | — | — | — | — | 110.25.710.** |
| 111.25.710.** | 608 | 812 | 75 | 852 | 60 | 6 | 139 | 0.5 | 111.25.710.** |
| 113.25.710.** | 608 | 812 | 75 | 570 | 60 | 6 | 96 | 0.5 | 113.25.710.** |
| 112.25.710.** | 608 | 812 | 75 | 856 | 60 | 8 | 104 | 0.5 | 112.25.710.** |
| 114.25.710.** | 608 | 812 | 75 | 568 | 60 | 8 | 72 | 0.5 | 114.25.710.** |
| 111.25.710.12K | 608 | 812 | 75 | 846 | 60 | 6 | 139 | 0 | 111.25.710.12K |
| 110.28.800.04 | 678 | 922 | 82 | — | — | — | — | — | 110.28.800.04 |
| 110.28.800.12 | 678 | 922 | 82 | — | — | — | — | — | 110.28.800.12 |
| 111.28.800.12 | 678 | 922 | 82 | 968 | 65 | 8 | 632 | 0.5 | 111.28.800.12 |
| 113.28.800.** | 678 | 922 | 82 | 118 | 65 | 8 | 80 | 0.5 | 113.28.800.** |
| 114.28.800.** | 678 | 922 | 82 | 94 | 65 | 10 | 64 | 0.5 | 114.28.800.** |
| 110.28.900.** | 778 | 1022 | 82 | — | — | — | — | — | 110.28.900.** |
| 111.28.900.** | 778 | 1022 | 82 | 1064 | 65 | 8 | 130 | 0.5 | 111.28.900.** |
| 113.28.900.** | 778 | 1022 | 82 | 736 | 65 | 8 | 93 | 0.5 | 113.28.900.** |
| 112.28.900.** | 778 | 1022 | 82 | 1070 | 65 | 10 | 104 | 0.5 | 112.28.900.** |
| 114.28.900.** | 778 | 1022 | 82 | 730 | 65 | 10 | 74 | 0.5 | 114.28.900.** |
| 110.28.1000.** | 878 | 1122 | 82 | — | — | — | — | — | 110.28.1000.** |
| 111.28.1000.** | 878 | 1122 | 82 | 1190 | 65 | 10 | 116 | 0.5 | 111.28.1000.** |
| 113.28.1000.** | 878 | 1122 | 82 | 820 | 65 | 10 | 83 | 0.5 | 113.28.1000.** |
| 112.28.1000.** | 878 | 1122 | 82 | 1188 | 65 | 12 | 96 | 0.5 | 112.28.1000.** |
| 114.28.1000.** | 878 | 1122 | 82 | 816 | 65 | 12 | 69 | 0.5 | 114.28.1000.** |
| 113.28.1094.03 | — | 1216 | 100 | 920 | 90 | 10 | 94 | 0 | 113.28.1094.03 |
| 110.28.1120.** | 998 | 1242 | 82 | — | — | — | — | — | 110.28.1120.** |
| 111.28.1120.** | 998 | 1242 | 82 | 1300 | 65 | 10 | 127 | 0.5 | 111.28.1120.** |
| 113.28.1120.** | 998 | 1242 | 82 | 940 | 65 | 10 | 95 | 0.5 | 113.28.1120.** |
| 112.28.1120.** | 998 | 1242 | 82 | 1308 | 65 | 12 | 106 | 0.5 | 112.28.1120.** |
| 114.28.1120.** | 998 | 1242 | 82 | 936 | 65 | 12 | 79 | 0.5 | 114.28.1120.** |
| 112.36.1250.03 | 1080 | 1475.5 | 110 | 1475.5 | 75 | 10 | 144 | 0.86 | 112.36.1250.03 |
| 110.32.1250.** | 1110 | 1390 | 91 | — | — | — | — | — | 110.32.1250.** |
| 111.32.1250.** | 1110 | 1390 | 91 | 1452 | 75 | 12 | 118 | 0.5 | 111.32.1250.** |
| 113.32.1250.** | 1110 | 1390 | 91 | 1044 | 75 | 12 | 88 | 0.5 | 113.32.1250.** |
| 112.32.1250.** | 1110 | 1390 | 91 | 1456 | 75 | 14 | 101 | 0.5 | 112.32.1250.** |
| 114.32.1250.** | 1110 | 1390 | 91 | 1036 | 75 | 14 | 75 | 0.5 | 114.32.1250.** |
| 110.32.1400.** | 1260 | 1540 | 91 | — | — | — | — | — | 110.32.1400.** |
| 111.32.1400.** | 1260 | 1540 | 91 | 1608 | 75 | 12 | 131 | 0.5 | 111.32.1400.** |
| 113.32.1400.** | 1260 | 1540 | 91 | 1188 | 75 | 12 | 100 | 0.5 | 113.32.1400.** |
| 112.32.1400.** | 1260 | 1540 | 91 | 1610 | 75 | 14 | 112 | 0.5 | 112.32.1400.** |
| 114.32.1400.** | 1260 | 1540 | 91 | 1190 | 75 | 14 | 86 | 0.5 | 114.32.1400.** |
| 113.40.1600.03K | 1424 | 1776 | 160 | 1349.6 | 90 | 14 | 97 | 0.5 | 113.40.1600.03K |
| 110.32.1600.** | 1460 | 1740 | 91 | — | — | — | — | — | 110.32.1600.** |
| 111.32.1600.04 | 1460 | 1740 | 91 | 1820 | 75 | 14 | 127 | 0.5 | 111.32.1600.04 |
| 113.32.1600.** | 1460 | 1740 | 91 | 1386 | 75 | 14 | 100 | 0.5 | 113.32.1600.** |
| 112.32.1600.** | 1460 | 1740 | 91 | 1824 | 75 | 16 | 111 | 0.5 | 112.32.1600.** |
| 114.32.1600.** | 1460 | 1740 | 91 | 1376 | 75 | 16 | 87 | 0.5 | 114.32.1600.** |
| 110.32.1800.** | 1660 | 1940 | 91 | — | — | — | — | — | 110.32.1800.** |
| 111.32.1800.** | 1660 | 1940 | 91 | 2016 | 75 | 14 | 141 | 0.5 | 111.32.1800.** |
| 113.32.1800.** | 1660 | 1940 | 91 | 1568 | 75 | 14 | 113 | 0.5 | 113.32.1800.** |
| 112.32.1800.** | 1660 | 1940 | 91 | 2016 | 75 | 16 | 123 | 0.5 | 112.32.1800.** |
| 114.32.1800.** | 1660 | 1940 | 91 | 1568 | 75 | 16 | 99 | 0.5 | 114.32.1800.** |
| 113.45.1830.11 | 1665 | 2002 | 156 | 1610 | 100 | 12 | 135 | 0.5 | 113.45.1830.11 |
| 110.40.2000.12 | 1825 | 2178 | 112 | — | — | — | — | — | 110.40.2000.** |
| 111.40.2000.11 | 1825 | 2178 | 112 | 2272 | 90 | 16 | 139 | 0.5 | 110.40.2000.** |
| 110.40.2000.** | 1825 | 2178 | 112 | 1728 | 90 | 16 | 109 | 0.5 | 110.40.2000.** |
| 112.40.2000.** | 1825 | 2178 | 112 | 2268 | 90 | 18 | 123 | 0.5 | 112.40.2000.** |
| 114.40.2000.** | 1825 | 2178 | 112 | 1728 | 90 | 18 | 97 | 0.5 | 114.40.2000.** |
| 110.40.2000.12 | 1825 | 2178 | 112 | — | — | — | — | — | 110.40.2000.12 |
| 110.40.2000.03K | 1825 | 2178 | 112 | — | — | — | — | — | 110.40.2000.03K |
| 110.40.2240.** | 2065 | 2418 | 112 | — | — | — | — | — | 110.40.2240.** |
| 111.40.2240.** | 2065 | 2418 | 112 | 2496 | 90 | 16 | 153 | 0.5 | 111.40.2240.** |
| 113.40.2240.** | 2065 | 2418 | 112 | 1984 | 90 | 16 | 125 | 0.5 | 113.40.2240.** |
| 112.40.2240.** | 2065 | 2418 | 112 | 2502 | 90 | 18 | 136 | 0.5 | 112.40.2240.** |
| 114.40.2240.** | 2065 | 2418 | 112 | 1980 | 90 | 18 | 111 | 0.5 | 114.40.2240.** |
| 110.40.2240.12K | 2065 | 2418 | 112 | — | — | — | — | — | 110.40.2240.12K |
| 110.40.2500.12 | 2325 | 2678 | 112 | — | — | — | — | — | 110.40.2500.12 |
| 111.40.2500.** | 2325 | 2678 | 112 | 2772 | 90 | 18 | 151 | 0.5 | 111.40.2500.** |
| 113.40.2500.** | 2325 | 2678 | 112 | 2232 | 90 | 18 | 125 | 0.5 | 113.40.2500.** |
| 112.40.2500.** | 2325 | 2678 | 112 | 2780 | 90 | 20 | 136 | 0.5 | 112.40.2500.** |
| 114.40.2500.** | 2325 | 2678 | 112 | 2220 | 90 | 20 | 112 | 0.5 | 114.40.2500.** |
| 112.40.2500.12K | 2325 | 2678 | 112 | 112.40.2500.12K | |||||
| 110.40.2500.12K | 2325 | 2678 | 112 | — | — | — | — | — | 110.40.2500.12K |
| 110.40.2800.** | 2625 | 2978 | 112 | — | — | — | — | — | 110.40.2800.** |
| 111.40.2800.03 | 2625 | 2978 | 112 | 3078 | 90 | 18 | 168 | 0.5 | 111.40.2800.03 |
| 113.40.2800.** | 2625 | 2978 | 112 | 2520 | 90 | 18 | 141 | 0.5 | 113.40.2800.** |
| 112.40.2800.12 | 2625 | 2978 | 112 | 3078 | 90 | 20 | 151 | 0.5 | 112.40.2800.12 |
| 114.40.2800.** | 2625 | 2978 | 112 | 2520 | 90 | 20 | 127 | 0.5 | 114.40.2800.** |
| 110.40.2800.11K | 2625 | 2978 | 130 | — | — | — | — | — | 110.40.2800.11K |
| 112.40.2800.12K2 | 2625 | 2978 | 144 | 3080 | 120 | 20 | 151 | 0.5 | 112.40.2800.12K2 |
| 112.40.2800.12K3 | 2625 | 2978 | 144 | 3080 | 120 | 20 | 151 | 0.5 | 112.40.2800.12K3 |
| 112.40.2800.12K1 | 2625 | — | 150 | 3384 | 150 | 22 | 151 | 0.5 | 112.40.2800.12K1 |
| 112.40.2800.12K | 2625 | — | 150 | 3388 | 150 | 22 | 151 | 0.5 | 112.40.2800.12K |
| 110.50.3150.** | 2922 | 3376 | 134 | — | — | — | — | — | 110.50.3150.** |
| 111.50.3150.12 | 2922 | 3376 | 134 | 2476 | 110 | 20 | 171 | 0.5 | 111.50.3150.12 |
| 113.50.3150.** | 2922 | 3376 | 134 | 2820 | 110 | 20 | 142 | 0.5 | 113.50.3150.** |
| 112.50.3150.12 | 2922 | 3376 | 134 | 3476 | 110 | 22 | 155 | 0.5 | 112.50.3150.12 |
| 114.50.3150.** | 2922 | 3376 | 134 | 2816 | 110 | 22 | 129 | 0.5 | 114.50.3150.** |
| 110.50.3150.03K | 2922 | 3376 | 134 | — | — | — | — | — | 110.50.3150.03K |
| 111.50.3150.12K | 2922 | 3376 | 134 | 3476 | 110 | 20 | 171 | 0.5 | 111.50.3150.12K |
| 112.50.3150.12K | 2922 | 3376 | 134 | 3476 | 110 | 22 | 155 | 0.5 | 112.50.3150.12K |
| 112.80.3200.12 | 2930 | 3470 | 210 | 3600 | 180 | 25 | 142 | 0 | 112.80.3200.12 |
| 112.80.3200.12K | 2930 | 3470 | 210 | 3600 | 180 | 25 | 142 | 0 | 112.80.3200.12K |
| 112.80.3200.03 | 2930 | 3470 | 210 | 3600 | 180 | 25 | 142 | 0 | 112.80.3200.03 |
| 112.80.3200.K1 | 2930 | 3470 | 210 | 3600 | 180 | 25 | 142 | 0 | 112.80.3200.12K1 |

扫一扫
扫一扫