四点接触球转盘轴承(回转支承)
类别:四点球转盘轴承
| 参数名称 | 参数值 |
|---|---|
| 材料 | 42CrMo、50Mn |
| 调质硬度 | 229~369HB |
| 滚道淬火硬度 | 58~64HRC |
| 齿淬火硬度 | 50±5HRC |
| 游隙 | 国标、可定制 |
| 精度等级 | P0、P6、P5、P4 |
| 保持架材料 | 尼龙PA66、钢、黄铜 |
| 产地 | 洛阳 |
| 品牌 | LYAB |
咨询热线:185-3836-8720
四点接触球转盘轴承(回转支承)
类别:四点球转盘轴承
| 参数名称 | 参数值 |
|---|---|
| 材料 | 42CrMo、50Mn |
| 调质硬度 | 229~369HB |
| 滚道淬火硬度 | 58~64HRC |
| 齿淬火硬度 | 50±5HRC |
| 游隙 | 国标、可定制 |
| 精度等级 | P0、P6、P5、P4 |
| 保持架材料 | 尼龙PA66、钢、黄铜 |
| 产地 | 洛阳 |
| 品牌 | LYAB |
咨询热线:185-3836-8720
四点接触球转盘轴承(回转支承)可以同时承受轴向载荷、倾覆力矩和径向载荷。在轴向载荷和倾覆力矩共同作用下,几乎所有钢球均参与承受载荷。当承受纯轴向载荷作用下,钢球与内外圈滚道分别为单点接触。当径向载荷超过一定值时,钢球与内外圈滚道分别有两点接触,此时,磨损和摩擦力矩将增大。为应对各种工况条件下产生的不同轴向力、倾覆力矩和径向力组合,接触角可以做相应调整。
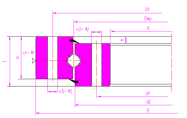
四点接触球转盘轴承(回转支承)主要由内圈、外圈、单排钢球、保持架(或隔离块)、密封装置等零件组成。
四点接触球转盘轴承(回转支承)内圈、外圈有整体式和分体式结构。整体式套圈的刚性相对较强,分体式调整方便,分体式结构在产品出厂前已通过螺栓将两个分体圈连接在一起。
四点接触球转盘轴承(回转支承)通常有保持架(或隔离块),只有在载荷较大时采用满装球式结构,满装球式四点接触球轴承承载能力大,但摩擦阻力大,摩擦还容易造成钢球表面产生划痕。
根据安装需要,安装孔可设计成直孔、沉孔、螺纹盲孔、螺纹通孔等。
四点接触球转盘轴承(回转支承)适用于以轴向载荷为主,有倾覆力矩,摩擦阻力较小的场合。安装时,要求支撑具有足够的径向刚性。
四点接触球转盘轴承(回转支承)的基本结构有以下三种:
1、 无齿式(010型)
2、 外齿式(011型/012型)
3、 齿式(011型/012型)
| 外形尺寸 | 轴承型号 | ||
| d | D | T | |
| 878 | 1122 | 100 | 010.40.1000.** |
| 878 | 1122 | 82 | 010.30.1000.12K |
| 878 | 1122 | 100 | 011.40.1000.12 |
| 878 | 1122 | 100 | 011.40.1000.12K |
| 878 | 1122 | 100 | 011.40.1000.12K1 |
| 878 | 1122 | 100 | 013.40.1000.** |
| 878 | 1122 | 100 | 012.40.1000.** |
| 878 | 1122 | 100 | 014.40.1000.** |
| 920 | 1168 | 80 | 010.30.1060.03 |
| 920 | 1168 | 80 | 010.30.1060.12 |
| 957 | 1150 | 80 | 011.25.1055.03 |
| 982 | 1240 | 114 | 011.35.1116.03 |
| 984 | — | 56 | 011.20.1097.03 |
| 988 | 1242 | 105 | 013.30.1120.03K/P5 |
| 998 | 1242 | 100 | 010.40.1120.12 |
| 998 | 1242 | 100 | 012.40.1120.** |
| 998 | 1242 | 100 | 014.40.1120.** |
| 998 | 1242 | 100 | 012.40.1120.12K1 |
| 1013 | — | 79 | 011.25.1120.12 |
| 1110 | 1390 | 110 | 013.45.1250.03K/P5 |
| 1126 | 1374 | 90 | 010.35.1250.12 |
| — | 1382 | 85 | 013.35.1257.12 |
| 1110 | 1390 | 110 | 010.45.1250.** |
| 1128 | 1375 | 93 | 010.30.1250.12K |
| 1110 | 1390 | 110 | 010.30.1250.12 |
| 1110 | 1390 | 110 | 011.45.1250.12 |
| 1110 | 1390 | 110 | 012.45.1250.** |
| 1090 | 1400 | 120 | 013.40.1250.11 |
| 1110 | 1390 | 110 | 014.45.1250.** |
| 1150 | 1410 | 110 | 010.45.1284.12 |
| 1180 | 1480 | 84 | 010.35.1352.12 |
| 1208 | 1551 | 130 | 011.50.1390.03 |
| 1192.8 | 1540 | 110 | 013.45.1400.12K |
| 1260 | 1540 | 110 | 013.35.1400.03/P5 |
| 1260 | 1540 | 110 | 010.45.1400.** |
| 1260 | 1540 | 110 | 010.45.1400.12K |
| 1260 | 1544 | 102 | 013.40.1400.11 |
| 1260 | 1540 | 110 | 012.45.1400.** |
| 1260 | 1540 | 110 | 014.45.1400.** |
| 1278 | 1595 | 120 | 011.35.1435.12 |
| 1278 | 1595 | 120 | 013.40.1435.11 |
| 1284 | 1630 | 140 | 013.60.1465.03 |
| 1388 | — | 89 | 011.30.1500.04 |
| 1420 | 1740 | 157 | 014.30.1600.11K |
| 1460 | 1740 | 110 | 010.45.1600.** |
| 1460 | 1740 | 110 | 011.45.1600.** |
| 1460 | 1740 | 110 | 013.45.1600.** |
| 1460 | 1740 | 110 | 010.45.1600.12K/P5 |
| 1460 | 1747 | 110 | 011.45.1600.12K |
| 1460 | 1730 | 110 | 012.45.1600.12K |
| 1460 | 1730 | 110 | 012.45.1600.12K1 |
| 1500 | 1860 | 160 | 011.50.1682.03/P5 |
| 1660 | 1940 | 110 | 010.45.1800.12 |
| 1660 | 1940 | 140 | 011.45.1800.03K/P5 |
| 1660 | — | 110 | 011.45.1800.05 |
| 1660 | 1940 | 110 | 012.45.1800.03 |
| 1634 | 1964 | 124 | 012.50.1800.03 |
| 1623 | 1971 | 109 | 013.50.1800.03 |
| 1664 | 1940 | 110 | 013.45.1800.03K |
| 1623 | 1971 | 115 | 013.45.1800.03K1 |
| 1644 | 1940 | 110 | 014.45.1800.03K |
| 1660 | 1940 | 110 | 010.45.1800.** |
| 1660 | 1940 | 110 | 013.45.1800.** |
| 1825 | 2178 | 144 | 010.60.2000.12 |
| 1825 | 2178 | 144 | 011.40.2000.12 |
| 1825 | 2178 | 144 | 011.60.2000.12 |
| 1825 | 2178 | 144 | 012.60.2000.12 |
| 1825 | 2178 | 144 | 013.60.2000.** |
| 1825 | 2178 | 144 | 014.60.2000.** |
| 2065 | 2418 | 144 | 010.60.2240.12 |
| 2065 | 2418 | 144 | 011.60.2240.** |
| 2065 | 2418 | 144 | 012.60.2240.12 |
| 2063 | — | 144 | 012.60.2240.03K |
| 2065 | 2418 | 144 | 013.60.2240.** |
| — | 2427 | 145 | 014.60.2240.03 |

扫一扫
扫一扫