调心滚子轴承 圆柱滚子轴承 圆锥滚子轴承 深沟球轴承 角接触球轴承 推力轴承 转盘轴承 其他轴承
当前位置:首页 > 产品中心 > 转盘轴承 > 四点球转盘轴承

无齿四点接触球转盘轴承(回转支承)

类别:四点球转盘轴承

参数名称 参数值
材料 42CrMo、50Mn
调质硬度 229~369HB
滚道淬火硬度 58~64HRC
齿淬火硬度 50±5HRC
游隙 国标、可定制
精度等级 P0、P6、P5、P4
保持架材料 尼龙PA66、钢、黄铜
产地 洛阳
品牌 LYAB

咨询热线:185-3836-8720

立即订购

立即订购

无齿四点接触球转盘轴承(回转支承)

类别:四点球转盘轴承

参数名称 参数值
材料 42CrMo、50Mn
调质硬度 229~369HB
滚道淬火硬度 58~64HRC
齿淬火硬度 50±5HRC
游隙 国标、可定制
精度等级 P0、P6、P5、P4
保持架材料 尼龙PA66、钢、黄铜
产地 洛阳
品牌 LYAB

咨询热线:185-3836-8720

立即订购


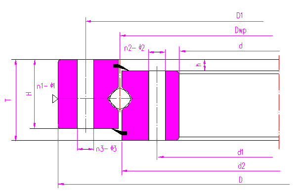
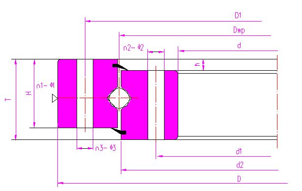
1620429721284711.png防腐四点球转盘轴承四点球无齿转盘轴承1006四点球无齿剖

序号外形尺寸轴承型号
dDT
111021434.5787/110
212028060010.12.195.03/P5
313534061010.30.238.03/P5
421638554010.20.310.03
521638554010.20.310.03K/P5
622240860010.22.315.03
7235403.555010.22.310.11
824044055LY-Q020
924044055010.20.340.03
1025042050010.16.322.03/P6
1125555785010.25.450.03K
1226048060116752
1326048060116752K
1427038035C787/270
1527548555LY-Q007
1627548555LY-Q007K
1728045047787/280
1828547368787/285G2
1930445456787/304RG2
2032252050010.20.400.03/P5
21342560115030.25.450.03/P5
2235754370010.12.450.03/P5
233604803578972
2438068888.92010.30.520.03
2538053544010.12.450.03K/P5
2639860280010.30.500.12
2740063990011.30.526.03
2840655646010.12.482.03
29406.4558.838.1787/406.4
3041059060010.20.500.12
3143464856787/434G2
3243564745.5D787/435
33440540143MSLQU496.28H
3445060045D78790
35450654.89278790G2
3645866280010.30.560.12
3745866280010.30.560.03K
3846059045176792
3946059045176792K
4046059045176792K2M
4146059040D176792K3M
4246059040D78892K
4346059040D78892K
4446059045D78892K1
454706455578794G2
4649063070010.25.585.03/P5
4750060050010.12.550.03
4851274168010.28.646.03
4951674080010.30.630.03K1
5052873280010.30.630.12
5152873280010.30.630.03K
52530780601167/530
5356080082787/560G2
54560720361167/560
55560720361167/560K
56560720361167/560M
57560720361167/560MK1
58560780601168/560
5957271656010.20.644.11
6058072050010.20.650.03/P5
6160073060D788/600K1
6260073060D788/600
6360881280010.30.710.12/P5
6463085056010.20.745.03K
656307806911768/630
6663595056.2010.20.745.03
6767080070787/670G2
6867587580787/675
6968086555D787/680
7068086555D787/680K
7168791080010.28.800.11
72700900361167/700
73700900361167/700K
7470090052787/700
7570584656010.20.744.03K
7671090085787/800P5M
7773494856787/734G2
7876095080E787/760G2
797621066.889787/762G2
8076290092010.16.800.03/P5
8177291656010.15.845.12
827751000643-640
837751000643-640K
847781022100010.30.900.12
857781022100010.40.900.03
867781022100010.40.900.12
87800105090787/800G
88807109890010.30.955.11
89810101072LY-Q001
908201060100787/820
918301055115010.35.940.12
92840107481010.35.955.03
9384798050D787/847
9485011208571769/850Y
9585011208571769/850G2K
96850103057D788/850
978701130100D787/870G2
98878112282010.30.1000.12K
998781122100010.40.1000.036
100905120090787/905
101920116880010.30.1060.03
102920116880010.30.1060.12
1039321200120787/932G2
1049321200120787/932G2K
105960116590787/960G2
106984.2119756010.20.1094.03/P6
1079851290140010.60.1136.03
1089981242100010.40.1120.12
1099981242100010.30.1120.03K
11010001250100787/1000G2
11110001250100787/1000G2K
1121005123472010.30.1120.03
11310401290100787/1040
11411101390110010.30.1250.12
11511101390110010.45.1250.03K
11611101390110010.45.1250.12
1171126137490010.35.1250.12
11811501410110010.45.1284.12
1191180148084010.35.1352.12
12011841524125787/1184
12112101600180787/1210
12212381540153030.40.1380.03
1231260154091787/1260
1241260150990789/1260G2
1251260150990789/1260G2K
12612601540110010.45.1400.12K
1271260154091787/1260K
1281260151090787/1260G2K1
12912601540110010.40.1400.03/P5
13012601540110010.45.1400.03
13112601550128010.45.1400.03K
13212601540110010.45.1400.03K1
13312601540110010.45.1400.03D
13412781702146787/1278
1351286147451787/1286
1361300160084787/1300G2
1371380160060787/1380
1381400182013671169/1400Y
1391400182013671169/1400Y1
1401428.61832190787/1430
14114301832190787/1430
14214401780100787/1440G2
14314601740110010.45.1600.12K/P5
14414601740110010.45.1600.12K1
14515251815110787/1525G2
14616251978144010.60.1800.03
14716281927130787/1628G2
14816281927130787/1628G2K
14916281927130787/1628G2K1
15016501950130010.45.1800.03K2
15116601940110010.45.1800.12
15216601940110010.45.1800.12K
15316601940110010.45.1800.03
15416601940110010.45.1800.03/P5
15516601940110010.45.1800.03K
15616601940110010.45.1800.03K1
15717002000150787/1700KM
15817812209120787/1785K
15917842206120010.35.1995.03
16017842206120010.35.1995.03K
16117842206170010.35.1995.03K1
16217852209120787/1785
16317852180144787/1785G2
1641810198081010.25.1900.12
16518252178144010.60.2000.12
16618252178144010.40.2000.03
16718252178144010.60.2000.03
16818252178144011.60.2000.03k
16918402180125010.50.2010.03
17018442180120787/1842
17118602280120787/1864
17219122310180010.35.2135.03
17319162294120787/1920K
17419202294120787/1920
17519402304120787/1940
17620002395144787/2000G2
1772000226090010.30.2129.03
17820632418144010.60.2240.12K1
17920652418144010.60.2240.12
18020652418144010.60.2240.03
18120652418144010.60.2240.03K
18220652418112010.45.2240.03
18321052530165010.60.2330.03
18421102450120LY-009
1852170243095010.40.2300.12
18622052630195010.60.2430.03
18722292639180010.40.2465.03
18822792721146787/2279
18922792721168010.70.2497.03
19023252678144010.50.2500.03K
19123252678144010.60.2500.03
19223252678144010.60.2500.03K
19323292671120010.50.2500.03
19423292678120010.50.2500.03K1
19523402680120LY-Q005
19623402710120010.35.2560.03
19723402710120010.35.2560.03K
19825352845150010.60.2690.03
19925803026174010.75.2800.03K
20026112992160010.75.2800.03
20126252978144010.60.2800.12
20226252978112787/2625
20326252978114787/2625K
20426252978112787/2625K1
20526252978148010.60.2800.03K
20626252995148010.60.2800.03K1
20726252978144010.60.2800.03K2
20826252995158010.60.2800.03K3
20926252978148010.60.2800.03
21026251978144010.60.2800.10
21126252995190010.60.2810.03
21226333043180010.40.2870.03
21326652966113010.40.2800.03K
21426652966113010.40.2800.03K1
21529223376174010.75.3150.03
21629223376190010.75.3150.03K
21729223376190010.75.3150.03K1
21829223376190010.75.3150.03K2
21929223376200010.75.3150.03K3
22029223376190010.75.3150.03K5
22129223376200010.75.3150.03K6
22229223376200010.75.3150.03K7
22329223376174010.75.3150.03D
22440604680210010.70.4370.03
22548105277210787/4810
22615625660010.20.200.12
22721638554010.20.310.03
228372573.4860010.25.467.03
22960881280010.30.710.12K
23077491456QJ6/774YA


企业实力雄厚
公司成立于2001年
注册资金1100万元

先进的生产设备及工艺
采用国内先进的生产工艺和符合药品生产GMP要求的现代化生产设备

完善的检查体系
先进的检测设备,执行严格的质量管理体系和生产管理体系

完善的售后服务
已在全国各大中城市建立了完善的销售和售后服务网络
在线询价 Message
相关推荐 Recommend
  • 联系人:苏紫沐
  • 全国服务热线:185-3836-8720
  • 企业邮箱:lyabearing@yeah.net lssw88@126.com
  • 地址:河南省洛阳市涧西区国家大学科技园
  • 版权所有:洛阳银河集团GALAXY轴承科技有限公司
    备案号 :豫ICP备17145879号-1
    技术支持:青峰网络

扫一扫

扫一扫

银河集团GALAXY
  • 网站地图